
一、适用范围: HSJ系列铁路客车接线盒,适用于额定电压交流有效值或直流有效值800V,接线截面为0.08~2.5mm2的电气线路中作分线用。
二、结构特征 1、接线盒采用阻燃增强热塑性工程塑料注塑成型,抗冲击强度高,抗老化性能好。 2、接线盒内配2.5mm2笼式弹簧接线座,连接方便,快捷可靠。 3、接线盒的导线输入、输出孔有有多种形式,(参见对应表)也可按用户要求特制。 4、接线盒盒盖与盒体之间嵌有密封圈,紧固后密封性能良好。 5、根据用户要求,接线盒体外表面可喷金属屏蔽层。
三、正常工作条件: 1、海拔高度:≤2500m。 2、环境温度:-40℃~+80℃; 高寒车用为:-50℃~+80℃; 3、污染等级为3级。 4、安装类别为III类。 5、防护性:防护等级达到IP54,防尘、防水。
四、管接头可根据用户需求配置 如接线盒的使用环境与上述条款有差异时,由用户和制造商协商确定
五、常用接线盒及代号 接线盒型号 1、按接线盒的导线输入、输出孔参见型号对应表。 2、用户在订购时,请根据图样注明代号,如有其它配合形式请另外说明。一般供货时,接线盒内装10片笼式弹簧端子。 3、用户若有特殊的安装尺寸,可根据要求提供相配套的安装底板。
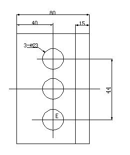
4、外形结构及安装尺寸图:

六、常用接线盒及代号:

七、订货须知:
1、按接线盒的导线输入、输出孔参见型号对应表。 2、用户在订购时,请根据图样注明代号,如有其它配合形式请另外说明。一般供货时,接线盒内装10片笼式弹簧端子。 3、用户若有特殊的安装尺寸,可根据要求提供相配套的安装底板。
|